Cilindro de varilla guía MG
1, el anillo de sellado importado es más duradero, no es fácil de filtrar
2, selección estricta de materiales, garantizar la calidad, abandonar la mediocridad
3, estructura compacta, gran capacidad de carga: estructura compacta, alta precisión de guía, puede soportar grandes cargas laterales y torque
4, vástago de pistón liso de alta precisión, proceso silencioso de acero al carbono, corrosión anti-bordado, mejora la resistencia general
5, oxidación dura del cilindro de aleación de aluminio: tratamiento de oxidación dura de la superficie del cilindro, aumenta la dureza de la superficie del cilindro, presión más duradera
Detalles del producto del cilindro de varilla guía MG
1. El cilindro con varilla guía se compone de dos varillas guía paralelas al pistón y al cilindro.
2, estructura compacta, alta precisión de guía, puede soportar grandes cargas laterales y torsión.
Se puede utilizar para empujar, levantar y limitar piezas de trabajo en líneas transportadoras.
Además, el cilindro guía es ideal para elevar y posicionar con alta precisión en la línea transportadora.
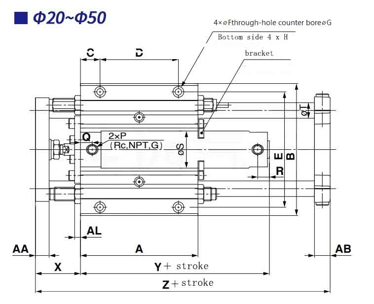
Especificaciones externas del cilindro de varilla guía MG
diámetro interior del cilindro (mm) |
Ataque (mm) |
A |
Automóvil club británico |
AB |
C.A. |
ANUNCIO |
AE |
AF |
Alabama |
AP |
B |
||||
20 |
90 |
11 |
11 |
7.5 |
75 |
30 |
M5x0.8profundo10 |
6 |
25 |
108 |
|||||
25 |
75、100 |
100 |
14 |
13 |
7.5 |
85 |
30 |
M6x1profundo12 |
6 |
30 |
130 |
||||
32 |
120 |
14 |
dieciséis |
10 |
100 |
35 |
M6x1profundo12 |
6 |
35 |
135 |
|||||
40 |
140 |
17 |
19 |
10 |
120 |
40 |
MBx1.25de profundidad16 |
9 |
45 |
170 |
|||||
50 |
170 |
23 |
21 |
10 |
150 |
45 |
M10x1.5profundo20 |
9 |
50 |
194 |
|||||
C |
D |
mi |
F |
GRAMO |
h |
yo |
j |
k |
l |
METRO |
norte |
||||
15 |
60 |
92 |
5.5 |
9.5de profundidad6 |
M8x1.25profundo14 |
30 |
55 |
60 |
80 |
25 |
45 |
||||
17,5 |
sesenta y cinco |
113 |
6.6 |
1 1 profundo 8 |
M10x1.5profundo18 |
35 |
sesenta y cinco |
70 |
100 |
35 |
54 |
||||
20 |
80 |
118 |
6.6 |
1 1 profundo 8 |
M10x1.5profundo18 |
40 |
73 |
80 |
106 |
35 |
60 |
||||
20 |
100 |
150 |
9 |
14profundo10 |
M12x1.75profundo21 |
50 |
93 |
95 |
134 |
50 |
75 |
||||
25 |
120 |
170 |
11 |
17profundo12 |
M14x2profundo25 |
55 |
103 |
115 |
152 |
90 |
|||||
diámetro interior del cilindro |
oh |
Rc,NPTCon motivo de la inauguración. |
GLa ocasión de la inauguración |
R |
S |
t |
Ud. |
A |
X |
Y |
z |
|||||
PAG |
q |
PAG |
q |
|||||||||||||
20 |
M6x1profundo9 |
1/8 |
12 |
M5x0.8 |
12 |
12 |
26 |
12 |
82 |
48 |
40 |
39 |
71 |
157 |
||
25 |
M6x1profundo13 |
1/8 |
12 |
M5x0.8 |
12.5 |
12 |
31 |
13 |
100 |
57 |
46 |
46 |
71 |
175 |
||
32 |
M6x1profundo13 |
1/8 |
12 |
1/8 |
10.5 |
12 |
38 |
dieciséis |
114 |
sesenta y cinco |
52 |
46 |
73 |
201 |
||
40 |
M8x1.25profundo16 |
1/8 |
13 |
1/8 |
13 |
12 |
47 |
20 |
138 |
84 |
62 |
56 |
80 |
238 |
||
50 |
M10x1.5profundo21 |
1/4 |
14 |
1/4 |
14 |
14 |
58 |
25 |
164 |
94 |
75 |
67 |
92 |
285 |
||
Ocasión de viaje largo |
||||||||||||||||
diámetro del cilindro (mm) |
· Ataque (mm) |
Rc,NPTCon motivo de la inauguración. |
GLa ocasión de la inauguración |
Y |
||||||||||||
R |
R |
|||||||||||||||
20 |
250~400 |
14 |
14 |
79 |
||||||||||||
25 |
350~500 |
14 |
14.5 |
79 |
||||||||||||
32 |
350~600 |
14 |
12.5 |
81 |
||||||||||||
40 |
350~800 |
15 |
12 |
89 |
||||||||||||



